SL-SP steam vent silencer
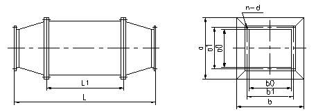
Structure
This series silencer belongs to small-pore jetting diffusion –type silencer Application scope SL-SP steam vent silencer suits to reduce dynamic noise resulted by steam exhausting from small boiler.
Specifications/ Performances /Dimensions
|
Type |
Silencer parameters |
Size(mm) |
Flange standard |
|
Flow rate t/h |
Press MPa |
Temp℃ |
Attenuation by Silencer dB(A) |
H |
H1 |
Ф1 |
D |
HG20592-97 |
|
SL-SP-1 |
1 |
2.0 |
350 |
30 |
730 |
100 |
300 |
159 |
DN32 PN2.5 |
|
SL-SP-2 |
2 |
2.0 |
350 |
30 |
775 |
100 |
350 |
219 |
DN50 PN2.5 |
|
SL-SP-3 |
4 |
2.0 |
350 |
30 |
1140 |
150 |
450 |
298 |
DN65 PN2.5 |
|
SL-SP-4 |
6 |
2.0 |
350 |
30 |
1250 |
150 |
500 |
350 |
DN80PN2.5 |
|
SL-SP-5 |
8 |
2.0 |
350 |
30 |
1365 |
150 |
520 |
377 |
DN100 PN2.5 |
|
SL-SP-6 |
10 |
2.0 |
350 |
30 |
1625 |
150 |
600 |
426 |
DN125 PN2.5 |
|
SL-SP-7 |
16 |
2.0 |
350 |
30 |
1790 |
150 |
700 |
500 |
DN150 PN2.5 | Notes: The rated steam pressure is designed according to 1.3Mpa. For example, if the pressure of the exhausted steam is 0.8Mpa, the selected silencer should be bigger than one grade of the exhausting pipe, if the pressure of the exhausted steam is 2.0Mpa, the selected silencer should be less than one grade of the exhausting pipe. SL-KXP boiler steam vent silencer Structure This series silencer belongs to small-pore jetting and volume expansion complex silencer in characteristics of lightweight, small package and wide waveband.
Application scope This series silencer suits to reduce dynamic noises resulted by steam exhaust from boilers and throttle valves used in metallurgical industry, thermoelectric chemical engineering and petroleum industry. Specifications/Performances/Dimensions
| Type |
Model |
Boiler parameters |
Silencer parameters |
Size(mm) |
|
Blowing ratet/h |
PressMPa |
Temp℃ |
Flow rate t/h |
Attenuation by Silencer dB(A) |
L1 |
L |
D |
ФXt |
| Middle pressure |
SL-KXP(ZH)-10 |
35 |
3.82 |
450 |
10 |
30 |
480 |
690 |
Ф219 |
Ф57×3.5 |
|
SL-KXP(ZH)-15 |
50 |
38 |
751 |
1102 |
Ф325 |
Ф57×3.5 |
|
SL-KXP(ZH)-25 |
63.75 |
25 |
38 |
1099 |
1451 |
Ф76×4 |
|
SL-KXP(ZH)-40 |
130 |
40 |
36 |
1419 |
1786 |
Ф108×4.5 |
| Sub-high pressure |
SL-KXP(ZH)-10 |
35 |
530 |
485 |
10 |
36 |
640 |
992 |
Ф325 |
Ф57×3.5 |
|
SL-KXP(ZH)-25 |
65.75 |
25 |
38 |
1099 |
1451 |
Ф76×4 |
|
SL-KXP(ZH)-40 |
130 |
40 |
36 |
1418 |
1786 |
Ф108×4.5 |
| High pressure |
SL-KXP(ZH)-60 |
220
|
9.81 |
540 |
60 |
38 |
1520 |
2074 |
Ф520 |
Ф133×10 |
|
SL-KXP(ZH)-80 |
80 |
39 |
1818 |
2372 |
|
SL-KXP(ZH)-100 |
100 |
39 |
2039 |
2593 |
| Supper high pressure |
SL-KXP(ZH)-100 |
420 |
13.73 |
540 |
100 |
40 |
2039 |
2590 |
Ф520 |
Ф133×16 |
|
SL-KXP(ZH)-200 |
670 |
200 |
41 |
2574 |
3123 | Notes: Denote the exhausted volume, start pressure (manometer pressure) and medium temperature when selecting silencer for throttle valve steam exhaust. SL-ZX steam vent silencer Structure This series silencer is a wide waveband complex silencer designed by making use of throttle pressure reduction and small pore jetting silence mechanism as well as multiple-stage pressure relief pipe configuration.
Application scope This series silencer is widely used for noise reduction of steam exhaust from boilers and other gas exhaust such as air, overheated steam, nitrogen and oxygen. Specifications/Performances/Dimensions
|
Type |
Flow rate t/h |
Pressure MPa |
Temperature ℃ |
Inletφ×t(mm) |
Drainφ1(mm) |
Sizemm(D×L) mm |
|
SL-ZX2-0.3/150 |
2 |
0.3 |
150 |
φ57×3 |
φ25×2.53 |
60×1000 |
|
SL-ZX3-0.3/150 |
3 |
0.3 |
150 |
φ76×3.5 |
φ25×2.5 |
360×1000 |
|
SL-ZX5-0.3/150 |
5 |
0.3 |
150 |
φ133×4.5 |
φ25×2.2 |
526×1000 |
|
SL-ZX10-0.3/150 |
10 |
0.3 |
150 |
φ219×6 |
φ25×2.5 |
600×1200 |
|
SL-ZX15-0.4/151 |
15 |
0.4 |
151 |
φ219×6 |
φ25×2.5 |
606×1100 |
|
SL-ZX30-0.4/151 |
30 |
0.4 |
151 |
φ325×8 |
φ25×2.5 |
750×1200 |
|
SL-ZX5-0.4/180 |
5 |
0.4 |
180 |
φ159×5 |
φ25×2.5 |
526×1000 |
|
SL-ZX5-0.3/400 |
5 |
0.3 |
400 |
φ159×5 |
φ25×2.5 |
600×1200 |
|
SL-ZX10-0.3/400 |
10 |
0.3 |
400 |
φ219×6 |
φ25×2.5 |
700×1200 |
|
SL-ZX20-0.3/200 |
20 |
0.3 |
200 |
φ273×7 |
φ25×2.5 |
800×1200 |
|
SL-ZX40-0,3/200 |
40 |
0.3 |
200 |
φ325×8 |
φ25×2.5 |
650×1200 |
|
SL-ZX20-0.2/133 |
40 |
0.2 |
133 |
φ325×8 |
φ25×2.5 |
630×1200 |
|
SL-ZX15-1.0/250 |
15 |
1.0 |
150 |
φ159×5 |
φ25×2.5 |
700×1400 |
|
SL-ZX20-1.0/250 |
20 |
1.0 |
250 |
φ219×6 |
φ25×2.5 |
700×1400 |
|
SL-ZX30-1.0/250 |
30 |
1.0 |
250 |
φ219×6 |
φ25×2.5 |
473×1000 |
|
SL-ZX5-1.27/194 |
5 |
1.27 |
194 |
φ89×3.5 |
φ25×2.5 |
473×1000 |
|
SL-ZX5-1.27/300 |
5 |
1.27 |
300 |
φ89×3.5 |
φ25×2.5 |
606×1100 |
|
SL-ZX10-1.27/320 |
10 |
1.27 |
320 |
φ133×5 |
φ25×2.5 |
646×1100 |
|
SL-ZX15-1.27/320 |
15 |
1.27 |
320 |
φ159×6 |
φ25×2.5 |
580×1200 |
|
SL-ZX10-1.27/250 |
10 |
1.27 |
250 |
φ108×4 |
φ25×2.5 |
630×1200 |
|
SL-ZX15-1.27/250 |
15 |
1.27 |
250 |
φ133×4.5 |
φ25×2.5 |
630×1200 |
|
SL-ZX20-1.27/250 |
20 |
1.27 |
250 |
φ159×5 |
φ25×2.5 |
806×1700 |
|
SL-ZX40-1.27/250 |
40 |
1.27 |
250 |
φ219×6 |
φ25×2.5 |
906×1800 |
|
SL-ZX50-1.27/320 |
50 |
1.27 |
320 |
φ273×8 |
φ25×2.5 |
600×1200 |
|
SL-ZX15-2.5/225 |
15 |
2.5 |
220 |
φ89×5 |
φ25×2.5 |
700×1400 |
|
SL-ZX30-2.5/225 |
30 |
2.5 |
220 |
φ133×7 |
φ25×2.5 |
600×1075 |
|
SL-ZX10-3.83/450 |
10 |
3.83 |
450 |
φ57×5 |
φ25×2.5 |
750×1100 |
|
SL-ZX20-3.83/450 |
20 |
3.83 |
450 |
φ108×7 |
φ25×2.5 |
750×1075 |
|
SL-ZX20-4.3/256 |
20 |
4.3 |
256 |
φ89×5 |
φ25×2.5 |
900×1200 |
|
SL-ZX20-3.83/450 |
20 |
3.83 |
450 |
φ133×8 |
φ25×2.5 |
900×1975 |
|
SL-ZX60-3.83/450 |
60 |
3.83 |
450 |
φ159×10 |
φ25×2.5 |
900×1975 |
|
SL-ZX110-3.83/450 |
110 |
3.83 |
450 |
φ219×12 |
φ25×2.5 |
1108×1965 | SL-KYX compressor silencer
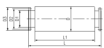
Structure
This series silencer is a dissipative and reactive complex muffler by combination of sound-resistance function and sound-reaction function. The silencer can be used for various compressors with different airflow. Application scope This series silencer is mainly used to erase aerodynamic noises resulted in the inlet and outlet of compressor with press loss ﹤200Pa and noise reduction≥25 dB(A).
Specifications/ Performances /Dimensions
|
Type |
Flow rate(nm3/mln) |
L(mm) |
L1(mm) |
D(mm) |
D1(mm) |
D2(mm) |
D3(mm) |
Installation position |
|
SL-KYX3X |
3 |
1000 |
800 |
320 |
80 |
125 |
170 |
Inlet silencer |
|
SL-KYX6X |
6 |
1220 |
1020 |
370 |
100 |
144 |
170 |
Inlet silencer |
|
SL-KYX10X |
10 |
1220 |
1020 |
420 |
150 |
200 |
210 |
Inlet silencer |
|
SL-KYX20X |
20 |
1420 |
1220 |
560 |
200 |
250 |
300 |
Inlet silencer |
|
SL-KYX40X |
40 |
1620 |
1420 |
650 |
250 |
300 |
350 |
Inlet silencer |
|
SL-KYX40B |
40 |
1620 |
1420 |
650 |
250 |
300 |
350 |
Outlet silencer |
|
SL-KYX100X |
100 |
2180 |
1420 |
1000 |
450 |
550 |
650 |
Outlet silencer |
|
SL-KYX100B |
100 |
2180 |
1880 |
1000 |
450 |
550 |
650 |
Outlet silencer |
|
SL-KYX200X |
200 |
2500 |
2200 |
1200 |
700 |
800 |
900 |
Outlet silencer |
|
SL-KYX200B |
200 |
2500 |
2220 |
1200 |
700 |
800 |
900 |
Outlet silencer | SL-KAP compressed air vent silencer
Structure
This series silencer is a dissipative and reactive complex muffler for which the dissipation section is arranged with tabulatio, n channel and the reaction section with small pore jetting. This seri, es silencer can be used for various compressors with different airflow.
Application scope This series silencer is mainly used to reduce aerodynamic noises resulted in the inlet and outlet of compressor with pressure ≤0.6Mpa,≥30dB.The silencer is vertically erected.
Specifications/performances/ dimensions
|
Type |
Flow rate (Nm3/min) |
Size |
Flange sta, ndard |
|
H |
H1 |
D |
ф1 |
HG20592-97 |
|
SL-KAP-1 |
12-18 |
1800 |
100 |
350 |
550 |
PN1.0 DN80 |
|
SL-KAP-2 |
54-96 |
2000 |
100 |
526 |
800 |
PN1.0 DN150 |
|
SL-KAP-3 |
100-204 |
2500 |
150 |
700 |
1000 |
PN1.0 DN200 |
|
SL-KAP-4 |
200-320 |
3000 |
150 |
860 |
1200 |
PN1.0 DN250 |
|
SL-KAP-5 |
288-340 |
3000 |
200 |
1038 |
1400 |
PN1.0 DN300 |
|
SL-KAP-6 |
392-460 |
3500 |
200 |
1210 |
1700 |
PN1.0 DN350 |
|
SL-KAP-7 |
512-604 |
3500 |
200 |
1380 |
1700 |
PN1.0 DN400 | SL-SFX sinter-fan silencer
Structure
This silencer is of dissipative structure that can be matched with fans with different airflow rate.
Application scope This silencer is mainly used to control and reduce aerodynamic noises resulted from sinter-matched fans, tail dust-collecting fan and powder coke fan during air exhaustion.
Specifications/performances/ dimensions
|
Type |
Flow rate (Nm3/min) |
Size(mm) |
Flange size |
Attenuation by SilencerdB(A) |
Press drop (P a) |
|
L |
L1 |
a×b |
a0×b0 |
a1×b1 |
n-d |
|
SL-SFX-1 |
1600-2500 |
2500 |
2000 |
2228×2400 |
1200×1815 |
1320×1925 |
51-Ф30 |
>20 |
≤200 |
|
SL-SFX-2 |
3250-4750 |
4000 |
2000 |
3400×4000 |
1800×2500 |
1920×2620 |
63-Ф30 |
>20 |
≤200 |
|
SL-SFX-3 |
6500-7150 |
4500 |
2500 |
2800×4200 |
2000×3000 |
2120×3120 |
76-Ф30 |
>25 |
≤200 |
|
SL-SFX-4 |
8000-9000 |
5000 |
3000 |
3964×4200 |
2500×3000 |
2620×3120 |
84-Ф30 |
>30 |
≤200 |
|
SL-SFX-5 |
12000-13000 |
5500 |
3000 |
4284×5000 |
2800×3800 |
2920×3800 |
86-Ф30 |
>30 |
≤200 |
|
SL-SFX-6 |
16000-17000 |
6500 |
3000 |
3810×6105 |
2800×5000 |
2920×5120 |
90-Ф32 |
>30 |
≤200 | SL-ZFX combustion supporting fan silencer
Structure
This series combustion supporting fan silencer is of tube still sucking structure that can be matched with combustion supporting fans with different airflow rate.
Application scope This silencer is mainly used to control the aerodynamic noises resulted from the combustion supporting fan for basting heating cupola during iron making. Specifications/ Performances /Dimensions
|
Type |
Flow rate (Nm3/h) |
Pressure (Pa) |
Size(mm) |
Flange size |
Attenuation by SilencerDb(A) |
Press drop(Pa) |
|
L |
a×b |
a0×b0 |
a1×b1 |
n-d |
|
SL-ZFX-1 |
8100~10200 |
2080~7000 |
2100 |
994×994 |
350×600 |
450×700 |
18-Ф13 |
>20 |
<400 |
|
SL-ZFX-2 |
25000 |
2990 |
2300 |
994×1487 |
500×1100 |
600×1200 |
32-Ф13 |
>20 |
<400 |
|
SL-ZFX-3 |
41200~48000 |
3000~3270 |
2600 |
1487×1487 |
550×1280 |
650×1380 |
32-Ф17 |
>20 |
<400 |
|
SL-ZFX-4 |
55840~64200 |
3860~4770 |
2700 |
1487×1980 |
550×1770 |
650×1870 |
38-Ф17 |
>20 |
<400 |
|
SL-ZFX-5 |
180000 |
3000 |
3000 |
1980×2473 |
600×1770 |
700×1870 |
40-Ф17 |
>20 |
<400 | SL-OGP high pressure oxygen vent silencer
Structure
This series silencer is a complex muffler with function of current throttling and heat-resistance absorption. The internal structure is made with fine firing–proof stainless steel and copper alloy.
Application scope This silencer suits to control the aerodynamic noises resulted from the exhaust of oxygen of oxygen compressor.
Specifications/ Performances /Dimensions
|
Type |
Silencer parameters |
Size |
Flange standard |
|
Flow rate Nm3/h |
PressureMPa |
Temperature℃ |
Attenuation by Silencer dB(A) |
L |
L1 |
D |
HG20592-97 |
|
SL-OGP-1 |
350-1000 |
3.0 |
200 |
30 |
1050 |
773 |
219 |
PN4.0 DN50 |
|
SL-OGP-2 |
1300-3500 |
3.0 |
200 |
30 |
1200 |
862 |
325 |
PN4.0 DN80 |
|
SL-OGP-3 |
2000-6000 |
3.0 |
200 |
30 |
1350 |
982 |
377 |
PN4.0 DN100 |
|
SL-OGP-4 |
4000-9000 |
3.0 |
200 |
30 |
1510 |
1114 |
426 |
PN4.0 DN125 |
|
SL-OGP-5 |
5500-12000 |
3.0 |
200 |
30 |
1670 |
1225 |
510 |
PN4.0 DN150 | 9、SL-ODP low pressure oxygen vent silencer
Structure
This series silencer is a complex muffler with function of current throttling and heat-resistance absorption. The internal structure is made with firing –proof stainless steel and copper alloy.
Application scope
This silencer suits to control the aerodynamic noises resulted from the exhaust of air separator and oxygen compressor.。
Specifications/ Performances /Dimensions
|
Type |
Silencer parameters |
Size |
Flange standard |
|
Flow rate Nm3/h |
Pressure MPa |
Temperature ℃ |
|
L |
L1 |
D |
HG20592-97 |
|
SL-ODP-1 |
240-600 |
0.8 |
200 |
30 |
1050 |
773 |
219 |
PN1.6 DN50 |
|
SL-ODP-2 |
600-1500 |
0.8 |
200 |
30 |
1200 |
862 |
325 |
PN1.6 DN80 |
|
SL-ODP-3 |
1500-3600 |
0.8 |
200 |
30 |
1350 |
982 |
377 |
PN1.6 DN100 |
|
SL-ODP-4 |
1800-4200 |
0.8 |
200 |
30 |
1510 |
1114 |
426 |
PN1.6 DN125 |
|
SL-ODP-5 |
3200-7200 |
0.8 |
200 |
30 |
1670 |
1225 |
510 |
PN1.6 DN150 | SL-KODP oxygen vent silencer
Structure
This series silencer is a kind of diffusion impedance complex exhaust muffler. The internal structure is made with firing –proof stainless steel and copper alloy.
Application scope This silencer is mainly used to reduce the aerodynamic noises resulted by oxygen relief from oxygen compressor.
Specifications/ Performances /Dimensions
|
Type |
Silencer parameters |
Size |
Flange standard |
|
Flow rate Nm3/h |
Pressure Mpa |
Temperature ℃ |
Attenuation by Silencer db(A) |
H |
H1 |
D |
ф1 |
HG20592-97 |
|
SL-KODP-1 |
600-1100 |
0.6 |
200 |
30 |
1600 |
100 |
400 |
550 |
PN0.6 DN80 |
|
SL-KODP-2 |
1050-1700 |
0.6 |
200 |
30 |
1600 |
100 |
400 |
550 |
PN0.6 DN10 |
|
SL-KODP-3 |
2300-3800 |
0.6 |
200 |
30 |
1600 |
150 |
450 |
600 |
PN0.6 DN150 |
|
SL-KODP-4 |
4200-6900 |
0.6 |
200 |
30 |
1600 |
150 |
450 |
600 |
PN0.6 DN200 |
|
SL-KODP-5 |
6500-10800 |
0.6 |
200 |
30 |
1800 |
150 |
450 |
600 |
PN0.6 DN250 | SL-KNP Nitrogen Vent silencer
Structure
This series silencer is a kind of impedance complex exhaust-type muffler.
Application scope This silencer is mainly used to reduce the aerodynamic noises resulted from low-pressure air exhaust of air separator and nitrogen compressor.
Specifications/ Performances /Dimensions
|
Type |
Silencer parameters |
Size |
Flange standard |
|
Flow rate Nm/h |
Pressure Mpa |
Temperature ℃ |
Attenuation by Silencer db(A) |
H |
H1 |
1 |
D |
HG20592-97 |
|
SL-KNP-1 |
300-500 |
0.6 |
200 |
30 |
1450 |
100 |
500 |
300 |
PN0.6 DN50 |
|
SL-KNP-2 |
615-1230 |
0.6 |
200 |
30 |
1800 |
100 |
580 |
430 |
PN0.6 DN80 |
|
SL-KNP-3 |
1200-2000 |
0.6 |
200 |
30 |
2000 |
150 |
770 |
580 |
PN0.6 DN100 |
|
SL-KNP-4 |
2700-4500 |
0.6 |
200 |
30 |
2500 |
150 |
800 |
606 |
PN0.6 DN150 |
|
SL-KNP-5 |
4800-18000 |
0.6 |
200 |
30 |
2500 |
150 |
1000 |
780 |
PN0.6 DN200 |
|
SL-KNP-6 |
7500-12500 |
0.6 |
200 |
30 |
3000 |
150 |
1200 |
940 |
PN0.6 DN250 |
|
SL-KNP-7 |
10800-18000 |
0.6 |
200 |
30 |
3000 |
200 |
1400 |
1138 |
PN0.6 DN300 |
|
SL-KNP-8 |
12000-24000 |
0.6 |
200 |
30 |
3500 |
200 |
1700 |
1310 |
PN0.6 DN350 |
|
SL-KNP-9 |
19200-32000 |
0.6 |
200 |
30 |
3500 |
200 |
1700 |
1480 |
PN0.6 DN400 | SL-QX、SL-QH high-pressure centrifugal fan silence
Structure
This series silencer is a kind of impedance complex exhaust-type muffler for which the dissipation section is arranged with tube still channel and the reaction section with multiple chamber channel and cross-shape acoustic board, thus guaranteeing the silencer with wide frequency bandwidth response.
Application scope This silencer is suitable to various high-pressure centrifugal fans (8-18 type, 9-27 type) to reduce the aerodynamic noises resulted from the inlet and outlet. Two ends of SL-QX type is connected to pipe with flanges. One end of SL-QH type is covered with a rain-proof cap. SL-QH type is only used in outdoor pipeline or closed room air inlet.
Specifications/ Performances /Dimensions
|
Type |
Flow rateNm/h |
Size |
Flange size |
Air speed m/s |
Press drop Pa |
|
D |
H1 |
Size |
D1 |
D2 |
D3 |
Connecting hole |
|
OX |
OR |
Φ |
N |
|
SL-QX-1 SL-QH-1 |
2000 |
450 |
1300 |
1500 |
1650 |
230 |
318 |
350 |
12 |
6 |
13.4 |
170 |
|
SL-QX-2 SL-QH-2 |
5000 |
600
|
1300 |
1500 , TD>
|
1650 |
340 |
426 |
450 |
14 |
8 |
13.5 |
215 |
|
SL-QX-3 SL-QH-3 |
8000 |
730 |
1300 |
1600 |
1700 |
420 |
506 |
540 |
14 |
12 |
16 |
235 |
|
SL-QX-4 SL-QH-4 |
12000 |
790 |
1400 |
1800 |
1800 |
500 |
606 |
640 |
14 |
12 |
17 |
260 |
|
SL-QX-5 SL-QH-5 |
15000 |
900 |
1540 |
1890 |
2020 |
580 |
686 |
720 |
14 |
12 |
17 |
260 |
|
SL-QX-6 SL-QH-6 |
20000 |
950 |
1640 |
1990 |
2140 |
650 |
806 |
790 |
14 |
12 |
17 |
260 |
|
SL-QX-7 SL-QH-7 |
25000 |
1000 |
1690 |
2040 |
, 2240 |
700 |
816 |
840 |
14 |
12 |
18 |
260 |
|
SL-QX-8 SL-QH-8 |
30000 |
1100 |
1750 |
2150 |
2400 |
780 |
886 |
920 |
14 |
16 |
17.5 |
300 |
|
SL-QX-9 SL-QH-9 |
35000 |
1180 |
1800 |
2200 |
2500 |
840 |
945 |
980 |
14 |
16 |
17.6 |
280 |
|
SL-QX-10 SL-QH-10 |
40000 |
1330 |
1880 |
2250 |
2600 |
900 |
1006 |
1040 |
14 |
24 |
17.5 |
280 |
|
SL-QX-11 SL-QH-11 |
50000 |
1420 |
1990 |
2250 |
2650 |
1000 |
1106 |
1140 |
14 |
24 |
17.7 |
280 |
|
SL-QX-12 SL-QH-12 |
80000 |
1780 |
2900 |
3200 |
3600 |
1300 |
1420 |
1480 |
14 |
30 |
16.7 |
300 | SL-ZDL low-pressure centrifugal fan silencer
Structure
This series silencer is a kind of piece-type dissipative muffler with features of convenient replacement and maintenance. There are three types (A, B, C) optional with 1m, 1.5m, 2m, 2.5m and 3m lengths which are suitable to different baffling frequency property.
Application scope This silencer is mainly used to match with low and medium pressure centrifugal fans such as 4-72, 4-73, 5-48,6-48 fans widely used in industrial and civil buildings. For applications of ventilation and air exchange of boiler fan, this silencer can be used to reduce inlet and outlet noises. In the scope of 1000~700000m3/h, the silencer features with pressure resistance <8000Pa, baffling noise >25dB(A). Notes to application 1. The air rate between baffling plates should be equal to the air rate in the pipe. For the silencer used in the civil buildings, the air rate between baffling plates should be a constant V=3-10m/s but for silencer used in industrial buildings, the air rate between baffling plates should be a constant V=12~25m/s, no bigger than 30m/s. 2. Before and after the silencer, reducers should be applied. During ordering, pipe’s section size and flange size should be noted. 3. If a rain-proof cover is needed, notations shall be offered.
Specifications/ Performances /Dimensions
|
Specifications |
A |
B |
H |
b |
h |
l |
l |
n-Ф |
|
1 |
50 |
508 |
558 |
466 |
516 |
116.5 |
129 |
16-12 |
|
2 |
50 |
708 |
558 |
665 |
516 |
133 |
129 |
18-12 |
|
3 |
50 |
828 |
558 |
786 |
516 |
131 |
129 |
20-12 |
|
4 |
50 |
708 |
828 |
786 |
665 |
131 |
133 |
22-16 |
|
5 |
50 |
828 |
1008 |
786 |
996 |
131 |
138 |
26-16 |
|
6 |
60 |
1070 |
1070 |
996 |
996 |
138 |
138 |
28-18 |
|
7 |
60 |
1370 |
1070 |
1296 |
996 |
162 |
166 |
28-18 |
|
8 |
60 |
1370 |
1370 |
1296 |
1296 |
162 |
162 |
32-18 |
|
9 |
60 |
1520 |
1520 |
1900 |
1448 |
181 |
181 |
32-20 |
|
10 |
60 |
1970 |
1520 |
1900 |
1448 |
190 |
181 |
36-20 |
|
11 |
60 |
1970 |
1970 |
1900 |
1900 |
190 |
190 |
40-20 |
|
12 |
100 |
2462 |
2012 |
2870 |
1920 |
197.5 |
192 |
44-20 |
|
13 |
100 |
1462 |
2462 |
2870 |
2370 |
197.5 |
197.5 |
48-22 |
|
14 |
100 |
2912 |
2462 |
2821 |
2370 |
217 |
197.5 |
22-50 |
|
15 |
100 |
3212 |
2912 |
3120 |
2821 |
208 |
217 |
56-24 |
|
16 |
100 |
3812 |
2912 |
3728 |
2821 |
219 |
217 |
60-24 |
|
Type |
Size mm |
Plate No. |
Ventilation Area(m2) |
Flow ratem3/h |
|
Hight |
wide |
V=3m/s |
V=10m/s |
V=25m/s |
|
1 |
A |
450 |
400 |
2 |
0.09 |
927 |
3240 |
8100 |
|
A |
450 |
600 |
3 |
0.135 |
1458 |
4860 |
12150 |
|
2 |
B |
450 |
600 |
3 |
0.108 |
1166 |
3888 |
9720 |
|
A |
450 |
720 |
4 |
0.144 |
1555 |
5184 |
12960 |
|
3 |
B |
450 |
720 |
3 |
0.162 |
1740 |
6832 |
14580 |
|
A |
600 |
720 |
4 |
0.192 |
2073 |
6912 |
17280 |
|
4 |
B |
600 |
720 |
3 |
0.218 |
2333 |
7776 |
19440 |
|
A |
900 |
720 |
4 |
0.288 |
3110 |
10368 |
26920 |
|
5 |
B |
900 |
720 |
3 |
0.321 |
3490 |
14664 |
29160 |
|
B |
900 |
900 |
4 |
0.373 |
4082 |
13608 |
34020 |
|
6 |
C |
900 |
900 |
3 |
0.105 |
4374 |
14680 |
36450 |
|
B |
900 |
1200 |
5 |
0.54 |
5832 |
19440 |
48600 |
|
7 |
C |
900 |
1200 |
4 |
0.54 |
5837 |
19440 |
48600 |
|
B |
1200 |
1200 |
5 |
0.72 |
7776 |
25920 |
64800 |
|
8 |
C |
1200 |
1200 |
4 |
0.72 |
7776 |
25920 |
64800 |
|
B |
1350 |
1350 |
6 |
0.82 |
9180 |
30600 |
78500 |
|
9 |
C |
1350 |
1350 |
5 |
0.81 |
8748 |
29160 |
72900 |
|
B |
1350 |
1800 |
8 |
1.134 |
12247 |
40824 |
102060 |
|
10 |
C |
1350 |
1800 |
6 |
1.215 |
13122 |
43740 |
109350 |
|
11 |
B |
1800 |
1800 |
8 |
1.512 |
16329 |
54432 |
136080 |
|
C |
1800 |
1800 |
6 |
1.62 |
17496 |
58320 |
145800 |
|
12C |
1800 |
2250 |
8 |
1.89 |
20412 |
68040 |
170100 |
|
13C |
2250 |
2250 |
8 |
2.362 |
25515 |
85050 |
212625 |
|
14C |
2250 |
2700 |
9 |
3.037 |
32800 |
109332 |
273330 |
|
15C |
2700 |
3000 |
10 |
4.05 |
13740 |
145800 |
364500 |
|
16C |
2700 |
3600 |
12 |
4.86 |
52488 |
174960 |
437400 | SL-CZ axial blower silencer
Structure
This SL-ZC axial blower silencer series consist of dissipative muffling cylinder and cross-shaped acoustic absorption plates in characteristic of simple structure and convenient installation.
Application scope This silencer is mainly used to reduce the aerodynamic noises resulted from the inlet and outlet of axial blowers in buildings and mining wells.
Specifications/ Performances /Dimensions
|
Type |
Flow rate |
Size(mm) |
Flange size(mm) |
|
Nm3/h |
φ |
L1 |
L |
D2 |
D1 |
D |
|
SL-CZ-3 |
3900 |
405 |
400 |
500 |
303 |
357 |
405 |
|
SL-CZ-4 |
7700 |
500 |
400 |
500 |
404 |
458 |
500 |
|
SL-CZ-5 |
8500 |
605 |
530 |
630 |
506 |
569 |
605 |
|
SL-CZ-6 |
15000 |
706 |
700 |
800 |
606 |
680 |
706 |
|
SL-CZ-7 |
24000 |
807 |
820 |
920 |
707 |
792 |
807 |
|
SL, -CZ-8 |
36000 |
908 |
950 |
1050 |
808 |
893 |
908 |
|
SL-CZ-9 |
41000 |
1009 |
1100 |
1200 |
909 |
994 |
1009 |
|
SL-CZ-10 |
47000 |
1110 |
1200 |
1300 |
1010 |
1096 |
1110 | SL-KHP stainless steel diffusion –baffling relief silencer
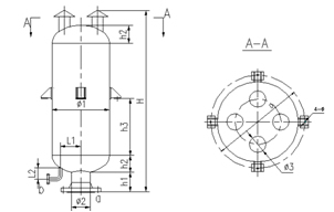
Structure
SL-KHP stainless steel diffusion –baffling relief silencer is a complex muffler with the combination of acoustic absorption structure and volume expansion baffling and pore jetting. The silencer is made of stainless steel with features of flame and erosion resistance and suitable to the reduction of noises resulted from the relief of oxygen, nitrogen, air, chemical industrial gas as well as steam.
Technical specifications: 1. Suitable to relief quantity: 4000-128000m3/h (standard case); 2. Suitable pressure: The up-flow pressure before the relief valve 0.2Mpa< P <3.0MPA; 3. Suitable temperature: <400oC; Noise reduction:>30 dB(A). Notices: 1. The silencer is provided with a pair of connecting flange in No.20 steel PN2.5 Hg G20592-97 and a pair of sewage pipe flange; 2. The customer shall prepare a sewage valve; 4. If the up-flow pressure before the relief valve p<2.5 , Mpa, a ф=0.50 (Diameter of the connecting pipe) throttle plate shall be erected before the silencer. 3. It is forbidden to make oil and water into the acoustic material; 4. During installation, the silencer body should be erected vertically without bearing any pulling force from its weight and other external force.
Specifications/ Performances /Dimensions
|
Type |
Flow rate Nm3/h |
Size |
Flange size(mm) |
Inlet a |
Drain b |
|
Ф1 |
Ф2 |
Ф3 |
4-Ф |
D |
L1 |
L2 |
h1 |
h2 |
h3 |
h |
|
SL-KHP-1 |
5000 |
Ф506 |
Ф108 |
Ф133 |
4-Ф16 |
608 |
83 |
80 |
150 |
154 |
1200 |
3400 |
PN2.5DN100 |
PN2.5DN20 |
|
SL-KHP-2 |
10000 |
Ф709 |
Ф159 |
Ф194 |
4-Ф18 |
818 |
135 |
80 |
150 |
204 |
1200 |
3670 |
PN2.5DN150 |
PN2.5DN20 |
|
SL-KHP-3 |
13000 |
Ф906 |
Ф194 |
Ф245 |
4-Ф18 |
1024 |
145 |
80 |
150 |
255 |
1200 |
4000 |
PN2.5DN175 |
PN2.5DN25 |
|
SL-KHP-4 |
22000 |
Ф1208 |
Ф219 |
Ф325 |
4-Ф23 |
1334 |
213 |
80 |
150 |
331 |
1200 |
4170 |
PN2.5DN200 |
PN2.5DN25 |
|
SL-KHP-5 |
44000 |
Ф1608 |
Ф325 |
Ф458 |
4-Ф23 |
1738 |
275
|
80 |
150 |
431 |
1450 |
4700 |
PN2.5DN300 |
PN2.5DN25 |
|
SL-KHP-6 |
64000 |
Ф2012 |
Ф377 |
Ф530 |
4-Ф23 |
2108 |
340 |
80 |
150 |
533 |
1450 |
5070 |
PN2.5DN350 |
PN2.5DN25 |
|
SL-KHP-7 |
88000 |
Ф2200 |
Ф478 |
Ф658 |
4-Ф30 |
2341 |
378 |
80 |
150 |
583 |
1700 |
5350 |
PN2.5DN450 |
PN2.5DN25 |
|
SL-KHP-8 |
128000 |
Ф2412 |
Ф529 |
Ф708 |
4-Ф30 |
2624 |
535 |
80 |
150 |
648 |
1700 |
5535 |
PN2.5DN500 |
PN2.5DN25 | Ordering notices The customer should correctly write down the types, specifications, title and related process conditions during ordering the silencer series so as to obtain proper options. The following items should be clarified. 1. Application condition or process; 2. Description of medium, medium components, intensity and flow rate in working conditions; 1. Working pressure and temperature before the inlet of the silencer; 2. Piping diameter and flange standard to connect with the inlet of the silencer; 3. Material (Stainless steel 304 will be used for oxygen diffusion silencer and steaming silencer); 4. Requirement of reduced noise quantity; 5. If possible provide the scope of noise frequency; 6. Other requirements Photos of some silencer products Blower outlet silencer Nitrogen diffusion silencer Centrifugal fan silencer An operating steaming exhaust silencer Boiler exhaust silencer An operating steaming exhaust silencer
|
|