Gas filter(1) PFQ type gas filter
|
DN |
PN≤1.6MPa |
PN≤4.0MPa |
|
L |
D1 |
D2 |
L |
D1 |
D2 |
|
40 |
430 |
Φ45x3 |
Φ89x4 |
430 |
Φ45x3.5 |
Φ89x5 |
|
50 |
500 |
Φ57x3.5 |
Φ108x4 |
500 |
Φ57x4 |
Φ108x5 |
|
65 |
580 |
Φ76x4 |
Φ133x4 |
580 |
Φ76x4 |
Φ133x45 |
|
80 |
610 |
Φ89x4 |
Φ159x4.5 |
640 |
Φ89x5 |
Φ159x6 |
|
100 |
720 |
Φ108x4 |
Φ219x6 |
770 |
Φ108x5 |
Φ219x8 |
|
125 |
800 |
Φ133x4 |
Φ273x7 |
860 |
Φ133x5 |
Φ273x8 |
|
150 |
920 |
Φ159x4.5 |
Φ273x7 |
980 |
Φ159x6 |
Φ273x8 |
|
200 |
1150 |
Φ219x6 |
Φ377x8 |
4220 |
Φ219x8 |
Φ377x10 |
|
250 |
1460 |
Φ273x7 |
Φ529x8 |
1560 |
Φ273x8 |
Φ529x14 |
|
300 |
1650 |
Φ325x8 |
Φ529x8 |
1850 |
Φ325x10 |
Φ529x14 |
|
350 |
1880 |
Φ377x8 |
Φ630x9 |
2120 |
Φ377x10 |
Φ630x16 |
|
400 |
2200 |
Φ426x9 |
Φ720x10 |
2350 |
Φ426x12 |
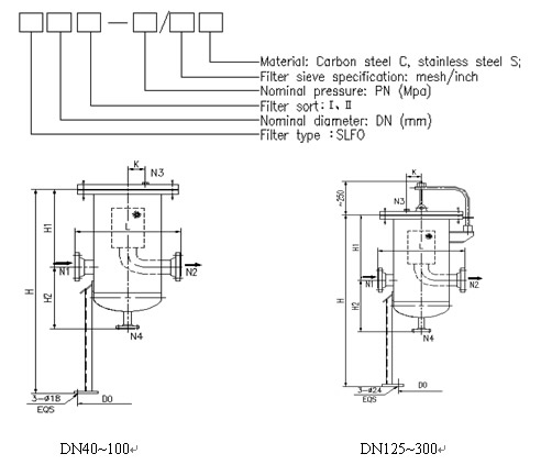
Φ720x16 | (2) SLFQ type gas filterProduct descriptionSLFQ gas filter is a kind of new, high efficiency dust-cleaning apparatus widely used in main pipe and bypass pipes of petroleum and natural gas industries. It is a kind of indispensable purification equipment for safe city natural gas or coal gas transfer systems. It features advanced structure, high efficiency dust-cleaning and convenient operation and maintenance. Denotation of product types Main specifications Nominal diameter:DN40-DN300 Working pressure:1.0-5.4MPa Working temperature:≤80oC Handling capacity:≤12000m3/h(under working state)Notes for order◆ To help you to have a good selection of ordering the products, please clarify the working medium, operating pressure and temperature.。 ◆ SLFQ air filter is used for dry air filtering. If the working medium with high water content, it is recommended to install pre-separator produced by our company before the location of SLFQ air filter so as to guarantee good filtering effect.● Product Specifications
|
TYPE |
SIZE(mm) |
VENT N3 |
DRAIN N4 |
|
L |
H |
H1 |
H2 |
H3 |
D0 |
K |
|
SLFQ-40 |
370 |
850 |
350 |
200 |
/ |
Φ240 |
60 |
M20X1.5 |
DN25 |
|
SLFQ-50 |
|
SLFQ-65 |
460 |
1020 |
420 |
300 |
/ |
Φ360 |
60 |
|
SLFQ-80 |
|
SLFQ-80 |
575 |
1110 |
480 |
330 |
/ |
Φ440 |
80 |
|
SLFQ-100 |
|
SLFQ-125 |
715 |
1265 |
550 |
415 |
300 |
Φ380 |
100 |
|
SLFQ-150 |
|
SLFQ-150 |
815 |
1470 |
680 |
490 |
300 |
Φ480 |
100 |
|
SLFQ-200 |
|
SLFQ-200 |
920 |
1700 |
840 |
560 |
350 |
Φ580 |
120 |
|
SLFQ-250 |
|
SLFQ-250 |
1020 |
1875 |
960 |
615 |
350 |
Φ680 |
120 |
|
SLFQ-300 |
|
|