SLXF型星形出料閥 |
SLXF型星形出料閥 應用領域 適用于電力、化工、冶金、建筑、糧食等行業粉粒體的連續均勻配料、輸送、卸料。 例:煤粉、水泥、塵灰、谷物、化工原料等的輸送。
 性能特點 一在電機的驅動下,經減速機帶動主軸上的葉輪旋轉,把物料從上部倉通過葉輪槽內旋轉的葉輪帶動至出料口均勻地喂送出去。 一進出料口有圓形法蘭和方形法蘭兩種形式。 一整機采用直聯或鏈傳整體式,精致輕巧,驅動裝置無需另設安裝基礎,減少占用空間,節省費用。 一根據被輸送物料性質的特,哇可配防爆電機、調速電機等。 技術特性
| 型號 |
SLXF100 |
SLXF150 |
SLXF200 |
SLXF250 |
|
鏈輪式 |
直連式 |
鏈輪式 |
直連式 |
鏈輪式 |
直連式 |
鏈輪式 |
直連式 |
| 生產能力m3/h |
0.5 |
1.0 |
0.8 |
1.6 |
2.6 |
5.2 |
6.6 |
13.3 |
| 葉輪轉速r/min |
16.3 |
32.3 |
16.3 |
32.2 |
16.4 |
32.5 |
16.4 |
32.5 |
| 葉輪直徑mm |
Φ100 |
Φ150 |
Φ200 |
Φ250 |
| 減速機 |
功率 |
0.55-0.75KW |
1.1KW |
| 型號 |
BWY或BLY |
| 型號 |
SLXF300 |
SLXF350 |
SLXF400 |
SLXF500 |
|
鏈輪式 |
直連式 |
鏈輪式 |
直連式 |
鏈輪式 |
直連式 |
鏈輪式 |
直連式 |
| 生產能力m3/h |
10.5 |
21 |
18.6 |
32.3 |
23.6 |
47.3 |
39.4 |
78.8 |
| 葉輪轉速r/min |
16.3 |
32.3 |
16.3 |
32.3 |
16.4 |
32.5 |
16.4 |
32.5 |
| 葉輪直徑mm |
Φ300 |
Φ350 |
Φ400 |
Φ500 |
| 減速機 |
功率 |
1.1KW~2.2KW |
2.2KW~4KW |
| 型號 |
BWY或BLY |
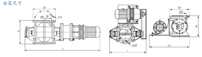
|
型號 |
L |
H |
D |
D0 |
D1 |
n×d |
|
SLXF100 |
1019 |
250 |
180 |
110 |
220 |
8×18 |
|
SLXF150 |
1049 |
390 |
240 |
160 |
285 |
8×22 |
|
SLXF200 |
1151 |
350 |
295 |
220 |
340 |
8×22 |
|
SLXF250 |
1201 |
420 |
350 |
270 |
395 |
12×22 |
|
SLXF300 |
1270 |
500 |
400 |
320 |
445 |
12×22 |
|
SLXF350 |
1330 |
550 |
460 |
375 |
505 |
16×22 |
|
SLXF400 |
1442 |
630 |
515 |
425 |
565 |
16×22 |
|
SLXF500 |
1542 |
750 |
620 |
530 |
670 |
20×26 |
|
型號 |
L |
L1 |
H |
D |
DO |
D1 |
n×d |
|
SLXF100 |
500 |
460 |
250 |
210 |
110 |
220 |
8×18 |
|
SLXF150 |
550 |
505 |
290 |
240 |
160 |
285 |
8×22 |
|
SLXF200 |
665 |
705 |
350 |
295 |
220 |
340 |
8×22 |
|
SLXF250 |
745 |
810 |
420 |
350 |
270 |
395 |
12×22 |
|
SLXF300 |
800 |
850 |
500 |
400 |
320 |
445 |
12×22 |
|
SLXF350 |
880 |
885 |
550 |
460 |
375 |
505 |
16×22 |
|
SLXF400 |
920 |
925 |
630 |
515 |
425 |
565 |
16×22 |
|
SLXF500 |
1020 |
1025 |
750 |
620 |
530 |
670 |
20×26 |
|
|